RTS03 Einbausender Multifunktion
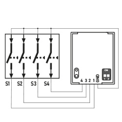
An den Einbausender RTS03 können vier handelsübliche Taster, zwei Schalter oder ein Jalousieschalter angeschlossen werden.
Damit werden herkömmliche Schalterprogramme zu Funkschaltern und können somit Easywave-Empfänger bedienen.
Durch die geringe Baugröße, ist eine Installation direkt in der Unterputz-Dose problemlos möglich.
Die Spannungsversorgung des Senders erfolgt entweder über die eingebaute Batterie oder drahtgebunden mit 3V DC.
Damit werden herkömmliche Schalterprogramme zu Funkschaltern und können somit Easywave-Empfänger bedienen.
Durch die geringe Baugröße, ist eine Installation direkt in der Unterputz-Dose problemlos möglich.
Die Spannungsversorgung des Senders erfolgt entweder über die eingebaute Batterie oder drahtgebunden mit 3V DC.
Eine Version für alles:
Durch umschaltbaren Betriebsmodus, kompatibel zu allen Easywave-Betriebsarten!
Technische Daten
| Codierung | Easywave POTA |
| Frequenz | 868,30 MHz |
| Kanäle | 4 |
| Sendedauer | max. 36 Sekunden |
| Reichweite | typisch 150 m bei guten Freifeldbedingungen |
| Spannungsversorgung | 1x 3V-Batterie, CR2032 ODER 3V DC drahtgebunden |
| Bedienung | durch angeschlossenen Taster/Schalter |
| Betriebstemperatur | -20 °C bis +60 °C |
| Abmessungen (B/L/H) | 29,2/34,7/9,0 mm |
| Gewicht | 12g |
Lieferumfang
- Einbausender
- Batterie
- Bedienungsanleitung
Ausführungen
| Produktnummer | Beschreibung |
|---|---|
| RTS03E5004D0-K | Einbausender, Easywave, 4x IMPULS | 2x EIN/AUS | 1x AUF/STOPP/ZU, weiß |
Anschlussplan
Anschluss Schalter
Anschluss Taster
Anschluss Motor-Schalter



Instagram
LinkedIn